משדרי לחץ דיפרנציאלי קיבוליים הם מכשירים חיוניים במכשור תעשייתי מודרני ואוטומציה של תהליכים . הם משתמשים בטכנולוגיית חישה קיבולית מתקדמת למדידת לחץ דיפרנציאלי, לחץ מד ולחץ מוחלט בדיוק גבוה ויציבות לטווח ארוך. בניגוד לחיישני לחץ מכניים מסורתיים, למשדרים אלה אין מנגנוני תמסורת מכניים נעים , מה שהופך אותם לקומפקטיים, עמידים ועמידים מאוד בפני רעידות. התאמות האפס והטווח העצמאיות מבטיחות דיוק ללא הפרעה הדדית, מה שתורם לשימוש הנרחב שלהם בתעשיות שונות.

בסין, ערים רבות הציגו קווי ייצור של החברה האמריקאית רוזמאונט , המייצרים דגמים שונים למדידת לחץ דיפרנציאלי , לחץ מד ולחץ מוחלט . חלק מהיחידות כוללות גם חילוץ שורש ריבועי למדידת זרימה , יחד עם גרסאות המיועדות ליישומי לחץ סטטי גבוה ולחץ דיפרנציאלי מיקרו .
משדר לחץ דיפרנציאלי קיבולי מורכב בדרך כלל משתי יחידות עיקריות: מקטע מדידה ומקטע המרה/הגברה , כפי שמוצג באיור 1 .

איור 1: תרשים מעגל משדר לחץ דיפרנציאלי קיבולי
1—מתנד 2—חיישן קיבולי 3—מפענח 4—כוונון טווח 5—מגביל זרם
6—מגבר הספק 7—מגבר תפעולי 8—התאמה אפסית ואפס הגירה
9—מגבר בקרת תנודות 10—מקור מתח ייחוס 11—ווסת מתח 12—הגנה מפני היפוך קוטביות
החיישן הקיבולי ממיר את לחץ ההפרש הנמדד (ΔP) לשינוי בקיבול. קבלי ההפרש הגבוהים והנמוכים, C H ו- C L , מעוררים על ידי מתנד בתדר גבוה . שינויי הזרם המתקבלים עוברים דה-מודולציה כדי לייצר אותות דיפרנציאליים ( i L − i H ) ואותות במצב משותף ( i L + i H ).
אות ההפרש מושווה לאות המשוב ( If ), לאחר מכן מוגבר ומומר לפלט DC של 4-20mA . זרם יציאה זה זורם דרך רשת התנגדות העומס והמשוב, תוך שמירה על קשר ליניארי בין אות ההפרש לזרם הפלט.
החיישן הקיבולי מורכב מלוחית אלקטרודה קבועה ומסאפרגמה מדידה ניידת, היוצרים שני קבלים ( C H ו- C L ) המחוברים לתאי הלחץ הגבוה והלחץ הנמוך. כאשר מופעל לחץ דיפרנציאלי, הסאפרגמה מתסטה, ומשנה את הקיבולים. מתנד בתדר גבוה (בדרך כלל 32 קילוהרץ) ממיר את השינויים בקיבול לשינויים בזרם, אשר מוגברים ומתואמת כדי לייצר אות DC של 4-20 מיליאמפר ביחס ללחץ הדיפרנציאלי המופעל ΔP.
כאשר המשדר משמש למדידת זרימה - כגון באמצעות פלטות פתח, צינורות ונטורי או נחיריים - האות מועבר דרך מחלץ שורש ריבועי כדי לקבל קשר ליניארי עם קצב הזרימה. המכשיר פועל על מערכת דו-חוטית של 24 וולט DC , התומכת במתחי אספקה של 12-45 וולט DC ובהתנגדויות עומס של עד 600 אוהם .
חיישן הלחץ ההפרש הקיבולי בעל שני התאים מוצג באיור 2 .

איור 2: מבנה דו-תאי של חיישן לחץ דיפרנציאלי קיבולי
1, 4 - דיאפרגמת בידוד בצורת גל; 2, 3 - בסיס נירוסטה; 5 - שכבת זכוכית; 6 - סרט מתכת; 7 - דיאפרגמת מדידה
במבנה זה, שכבות המתכת (6) משמשות כאלקטרודות קבועות, בעוד שסרעפת המדידה (7) משמשת כאלקטרודה נעה. שני צידי הסרעפת יוצרים שני תאים נפרדים מלאים בשמן סיליקון . הנוזל הבלתי דחיס מעביר את הלחץ ההפרשי Δp = p_H − p_L למשטחי הסרעפת.
כאשר Δp = 0, הקיבולים משני הצדדים ( C₁₀H ו- C₁₀L ) שווים. כאשר Δp ≠ 0, הסרעפת נוטה לכיוון הצד בעל הלחץ הנמוך, מה שהופך את C₁₀ > C₁₀H .
שימוש בקיבול דיפרנציאלי מפחית שגיאות הנגרמות משינויי טמפרטורה בקבוע הדיאלקטרי, ובכך משפר את הרגישות, הדיוק והלינאריות - גורמים חשובים בבקרת תהליכים תעשייתיים ומדידת לחץ .
כאשר Δp ≠ 0, שינוי הקיבול מוצג באיור 3 .

איור 3: שינויי קיבול משני הצדדים כאשר קיים לחץ דיפרנציאלי
משוואות: 

עבור דיאפרגמה עם מתח התחלתי, הסטייה פרופורציונלית ללחץ ההפרש: 
כאן, K₁ הוא קבוע מבני התלוי בעקמומיות הסרעפת, במרווח האלקטרודות ובמתח המכני. קשר זה מבטיח שזרם המוצא יהיה ביחס ישר ללחץ הדיפרנציאלי המופעל , ומספק דיוק מדידה מעולה.
חיישן הלחץ הקיבולי ממיר לחץ דיפרנציאלי לשינוי קיבול פרופורציונלי. מדידת קיבול זה דורשת עירור AC בתדר גבוה , בדרך כלל סביב 32 קילוהרץ .

איור 4: מעגל מתנד איור 5: ספק כוח למתנד
מעגל מתנד (איור 4)
המעגל מורכב מסלילים (הדקים 6, 8 ו-5, 7) וקבל C₂₀ היוצרים לולאת תהודה המחוברת לטרנזיסטור VT₁. נגד ההטיה R₂₉ מגדיר את נקודת הפעולה הסטטית. התדר נקבע על ידי ההשראות L והקיבול C.
ספק כוח מתנד (איור 5)
מכיוון שמדידת הקיבול מסתמכת על מתח AC, מתח המתנד חייב להישאר יציב . לולאת בקרה עם משוב שלילי מייצבת אוטומטית את המתח תוך הבטחת אמפליטודה התחלתית מספקת.

כפי שמוצג באיור 6 , מעגל יצירת הזרם הקיבולי ורשת יצירת המתח שומרים על עירור קבוע.

איור 6: מעגל יצירת זרם קיבולי ומעגל יצירת מתח U₂
כאשר Δp ≠ 0, C_H יורד ו-C_L עולה, והזרם הכולל דרך שניהם מבוטא כך:

משוב אוטומטי מבטיח ש- IL + IH = K₂ (קבוע), תוך שמירה על יציבות מתח ורגישות עקבית.
במעגל ייצור הזרם הקיבולי: ![]()
![]()
![]()
החלפת קשרים קודמים: 
זרם יציאה כולל: ![]()
לפיכך, אות המוצא של 4-20 מיליאמפר של משדר הלחץ ההפרשי הקיבולי הוא ביחס ישר ללחץ ההפרשי המופעל.
המכשיר מספק גם כוונון אפס , כיול טווח והגנה מפני קוטביות הפוכה , מה שמבטיח פעולה יציבה ובטוחה במערכות מדידת לחץ תעשייתיות .
משדרי לחץ מסדרת SH המיוצרים על ידי silverinstruments.com הם משדרי לחץ דו-גיתיים 4-20 mA הנמצאים בשימוש נרחב, המיועדים לסביבות בטוחות באופן מהותי וחסינות פיצוץ .
מפרט מרכזי

איור 7: הקשר בין מתח ספק הכוח להתנגדות העומס
כאשר מתח האספקה משתנה ב-±1 וולט, שינוי זרם המוצא נשאר מתחת ל-0.005%, מה שמבטיח יציבות אות ודיוק גבוה .
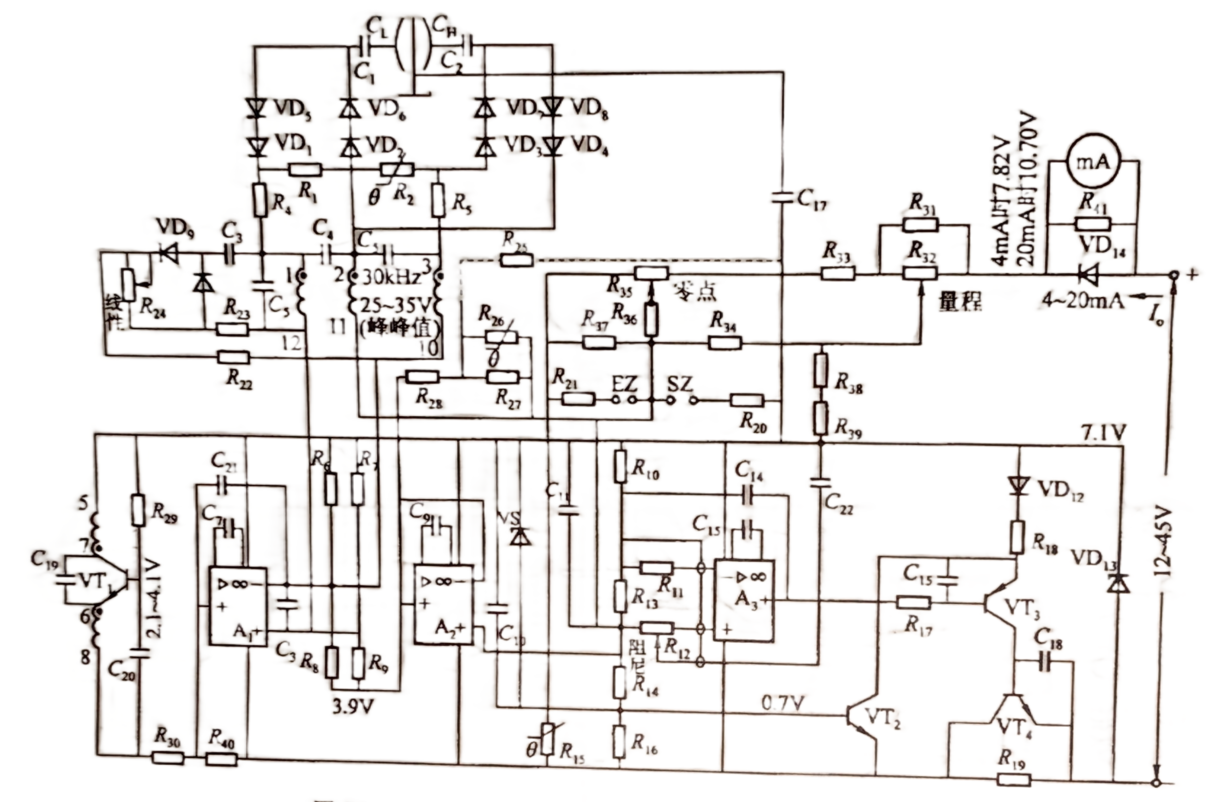
המעגל הכולל של משדר לחץ דיפרנציאלי SHGP/SHDP מוצג באיור 8

איור 8: תכנון המעגל של משדר לחץ קיבולי/DP מסדרת SH
רכיבים ופונקציות מרכזיים:
אלמנטים אלה מבטיחים ביצועים מדויקים ויציבים בתנאים תעשייתיים מגוונים, מה שהופך את סדרת SHGP/SHDP לאחד ממשדרי הלחץ הדיפרנציאליים הקיבוליים האמינים ביותר לבקרת תהליכים ומכשור ברחבי העולם.
משדרי לחץ נמוך
2025/10/12
משדר לחץ נמוך: 16-60 mbar. דיוק גבוה: ±0.1~0.5% פרוטוקול הארט, פלט 4-20mA. תצוגה דיגיטלית mbar,psi,pa.
VIEW
חיישן לחץ קרמי
2025/10/12
חיישן לחץ קיבולי קרמי. חיישן שטיפה ועמיד בפני שחיקה. פלט חיישן לחץ 4-20mA. לתעשיית עיסת נייר.
VIEW
חיישן לחץ קיבולי 3351
2025/10/12
חיישן לחץ קיבולי הוא כולו מרותך עם חומר נירוסטה. סוג זה של חיישן לחץ הוא לחוש את הלחץ או את לחץ ההפרש באמצעות מילוי השמן בחיישן.
VIEW
משדר לחץ סיליקון מפזר מסדרה SH 308
2025/10/12
מידע כללי על משדר לחץ סיליקון מפזר מסדרת SH 308 סדרת SH 308 משדרי לחץ סיליקון מפוזרים בוחרים רכיבי חיישני לחץ סיליקון מיובאים מיובאים, ועובדים ...
VIEW
SHDP / GP DP / משדר לחץ עם אטמי דיאפרגמה מרחוק
2025/10/12
משדר לחץ / לחץ דיפרנציאלי SHDP / GP עם אטמי דיאפרגמה מרוחקים מספק סוג של דרך מדידה אמינה כדי למנוע מהמדיום הנמדד ליצור קשר ישיר עם סרעפת החותם של ה ...
VIEW
משדר מפלס מסוג SHLT
2025/10/12
משדר מפלס מסוג אוגן SHLT (חכם) יכול להמשיך במדידת מפלס וצפיפות מדויקים לכל מיני מיכלים. אוגן סומק ואוגן מורחב זמין, אוגן 3 "או 4", 1501b או 3001b, ...
VIEW